Профиль FOLED-50-WALL-2000 (Arlight, Алюминий) 035771 в Волгограде
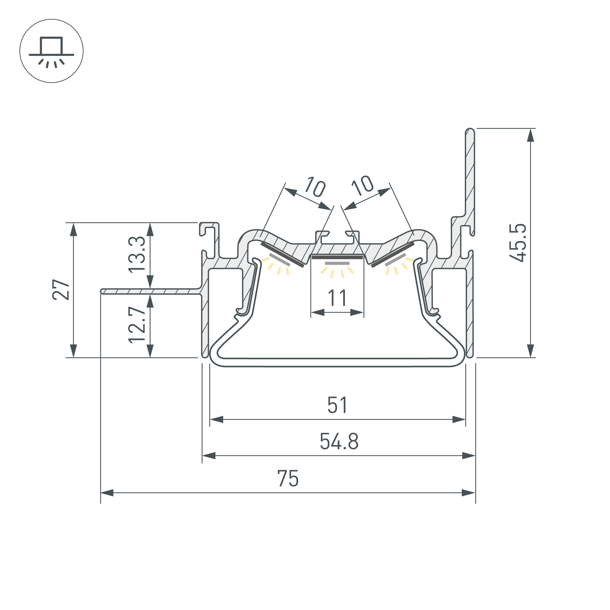
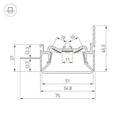
Встраиваемый алюминиевый профиль (боковая линия - монтаж к стене) для дизайнерских решений «линии света» в натяжных потолках. Решение 2-в-1: служит каркасом для крепления натяжного потолка и профилем для установки светодиодной ленты. Габаритные размеры профиля составляют 2000 мм в длину, 75 мм в ширину и 45,5 мм в высоту. Площадки для установки светодиодных лент позволяют использовать ленты шириной до 10 мм и мощностью до 50 Вт/м (общая мощность для трех лент). Это обеспечивает гибкость в выборе светодиодных лент и создает потрясающие световые решения. Экран, заглушки и другие аксессуары не включены в комплект и приобретаются отдельно. Цена указана за 1 метр профиля. Отличное решение для создания современных световых проектов.
Алюминиевый профиль для натяжных потолков (боковая линия - монтаж к стене). Решение 2-в-1 - каркас для крепления натяжного потолка и профиль для установки светодиодной ленты. Для дизайнерских решений «линии света» в натяжных потолках. Монтируется к стене, накладной способ. Натяжной потолок крепится к профилю с одной стороны. Габаритные размеры (L×W×H): 2000x75x45,5мм. Ширина центральной площадки для ленты 11мм, боковых площадок - 10 мм. Экраны, заглушки и другие аксессуары приобретаются отдельно. Цена за 1 метр.
035771 Arlight Профиль Встраиваемый со скрытым фланцем - Серебристый в Волгограде
Вы можете заказать Профиль Arlight с доставкой или самовывозом в Волгограде
просто достаточно позвонить менеджеру и сообщить артикул товара: 035771 или оформить заказ на сайте Arlight Shop Волгоград
Характеристики
|
Объем м3
|
0.0069 |
|
Гарантия м.
|
24 |
|
Материал корпуса
|
Алюминий |
|
Способ монтажа
|
Встраиваемый со скрытым фланцем |
|
Назначение
|
Для натяжных потолков |
|
Форма (сечение)
|
- |
|
Цвет покрытия
|
Серебристый |
|
Тип товара
|
Профиль |
|
Гарантийный срок
|
2 год(а) |
|
Модельный ряд
|
FOLED |
|
Совместимый тип полотна
|
ПВХ плёнка |
|
Система фиксации полотна
|
Гарпунная |
|
Способ установки профиля
|
Встраиваемый со скрытым фланцем |
|
КПД профиля (cветовой)
|
89 % |
|
Рассеиваемая тепловая мощность на 1м
|
max: 50 W |
|
Ширина световой линии
|
49.8 мм |
|
Внешний вид поверхности
|
Глянцевая |
|
Покрытие поверхности
|
Без покрытия |
|
Длина
|
2000 мм |
|
Ширина
|
75 мм |
|
Высота
|
45.5 мм |
|
Ширина площадки
|
11 мм |
|
Глубина установки источника света
|
21 мм |
|
Кратность цены за 1 м/шт
|
1 |
|
Мощность (прайс)
|
50 Вт |
|
Схема площадок
|
3 разные площадки, 1 общий экран, светят друг от друга |
|
Ширина дополнительной площадки
|
10 мм |






