Профиль-держатель TEK-PLS-ZM-2000 (Arlight, Алюминий) 026459 в Волгограде
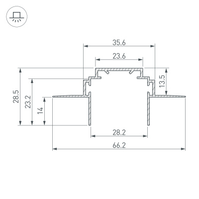
Алюминиевый профиль-держатель для установки в гипсокартон толщиной 12,5 мм любого профиля серии PLS-LOCK при помощи клипс TEK-PLS-CLIP. Габаритные размеры профиля составляют 2000 мм в длину, 66,2 мм в ширину и 28,5 мм в высоту. Заглушки и другие аксессуары приобретаются отдельно. Цена указана за 1 метр профиля.
Алюминиевый профиль-держатель для встраивания в гипсокартон толщиной 12.5 мм. В TEK-PLS-ZM можно установить любой профиль PLS-LOCK при помощи клипс TEK-PLS-CLIP. Рекомендуется профиль PLS-LOCK-H25-FS (016446) для создания полосы света в один уровень с потолком. Габаритные размеры (L×W×H): 2000x66,2x28,5 мм. Заглушки и другие аксессуары приобретаются отдельно. Цена за 1 метр.
026459 Arlight Профиль Встраиваемый со скрытым фланцем С фланцем Серебристый в Волгограде
Вы можете заказать Профиль Arlight с доставкой или самовывозом в Волгограде
просто достаточно позвонить менеджеру и сообщить артикул товара: 026459 или оформить заказ на сайте Arlight Shop Волгоград
Характеристики
|
Объем м3
|
0.00402 |
|
Гарантия м.
|
24 |
|
Материал корпуса
|
Алюминий |
|
Способ монтажа
|
Встраиваемый со скрытым фланцем |
|
Назначение
|
Профиль-держатель |
|
Форма (сечение)
|
С фланцем |
|
Цвет покрытия
|
Серебристый |
|
Тип товара
|
Профиль |
|
Гарантийный срок
|
2 год(а) |
|
Модельный ряд
|
PLS |
|
Способ установки профиля
|
Встраиваемый со скрытым фланцем |
|
Рассеиваемая тепловая мощность на 1м
|
max: 39.1 W |
|
Внешний вид поверхности
|
Глянцевая |
|
Покрытие поверхности
|
Без покрытия |
|
Длина
|
2000 мм |
|
Ширина
|
66.2 мм |
|
Высота
|
28.5 мм |
|
Кратность цены за 1 м/шт
|
1 |
|
Мощность (прайс)
|
39.1 Вт |



